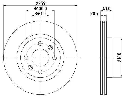
Диск гальмівний перед. Renault Clio I, Clio Ii, Kangoo, Kangoo Express, Megane I, Megane I Classic, Megane I Coach 1.2-2.0 06.8 HELLA 8DD 355 126-531

1 155 
 сегодня
Производитель
HELLA (Германия) Производство Германия
Каталожный номер
8DD 355 126-531
Высота [мм]
41
Вес [кг]
4.8
Тип тормозного диска
вентилируемый
Толщина тормозного диска (мм)
20.7
Минимальная толщина [мм]
17.7
Расположение/число отверстий
04/06
Внутренний диаметр
130
Наружный диаметр [мм]
259
Диаметр центрирования [мм]
61
Ø фаски [мм]
100
Поверхность
с покрытием
Дополнительный артикул / дополнительная информация 2
без колесного подшипника
без ступицы
без колесной крепящей оси
Диаметр отверстия под шпильку колеса [мм]
12.7
Требуется монтаж / демонтаж специалистами!
EAN
4082300642094
  • Доставка по Украине
    -  на отделение Новой Почты или курьером до двери
    - самовывоз в м. Рівне
    подробнее →
  • Оплата при получении
    или другим удобным способом, подробнее →
  • Гарантия
    обмен/возврат товара в течение 14 дней, подробнее →
Диск гальмівний перед. Renault Clio I, Clio Ii, Kangoo, Kangoo Express, Megane I, Megane I Classic, Megane I Coach 1.2-2.0 06.8
Применяемость
8DD 355 126-531 HELLA подходит к таким маркам/моделям авто:
- Dacia: Logan, Sandero
- Nissan: Kubistar
- Renault: 19, Clio, Kangoo, Logan, Logan MCV, Megane I, Sandero, THALIA, Twingo
Товарная группа:
- Тормозная система Тормозные диски
Аналоги "8DD 355 126-531 HELLA":
0 отзывов
1 165  сегодня
Артикул:
DF2586
TRW
Производство Германия Германия
Купить Код: 99849-26
Количество отверстий: 4
Диаметр центрирования [мм]: 61
ø фаски [мм]: 100
Поверхность: лакированный
Проверочное значение: E190R-02C0176/0520
Высота [мм]: 41
Тип тормозного диска: вентилируемый
Толщина тормозного диска (мм): 20.6
Размер резьбы: 13
Минимальная толщина [мм]: 17.7
Цвет: черный
Наружный диаметр [мм]: 259
Качество OEM
0 отзывов
1 155  сегодня
Артикул:
0 986 478 124
BOSCH
Производство Германия Германия
Купить Код: 93695-26
Поверхность: промасленный
Дополнительный артикул / дополнительная информация 2: с винтами
Выполняет нормы ЕЭК: ECE-R90
Диаметр отверстия до [мм]: 13.5
Высота [мм]: 41
Тип тормозного диска: вентилируемый
Толщина тормозного диска (мм): 20.6
Минимальная толщина [мм]: 17.7
Наружный диаметр [мм]: 259
Количество отверстий: 4
Диаметр центрирования [мм]: 61
ø фаски [мм]: 100
Качество OEM
0 отзывов
826  сегодня
Артикул:
PB 2528
STARLINE
Производство Чехия Чехия
Купить Код: 637348-3
Сторона установки: Передние
Высота [мм]: 41
Тип тормозного диска: вентилируемый
Толщина тормозного диска (мм): 21
Минимальная толщина [мм]: 17.7
Наружный диаметр [мм]: 259
Количество отверстий: 4
Диаметр центрирования [мм]: 61
0 отзывов
983  завтра
Артикул:
BG2625
Delphi
Производство США США
Купить Код: 268678-7
Проверочное значение: E1 90R-02C0277/1427
Высота [мм]: 41
Тип тормозного диска: вентилируемый
Толщина тормозного диска (мм): 20.6
Минимальная толщина [мм]: 17.7
Наружный диаметр [мм]: 259
Количество отверстий: 4
Диаметр центрирования [мм]: 61
Поверхность: промасленный
Оптимальний вибір
0 отзывов
1 100  завтра
Артикул:
16-15 521 0036/PD
MEYLE
Производство Германия Германия
Купить Код: 486298-7
Сторона установки: Передние
Количество отверстий: 4
Диаметр центрирования [мм]: 61
ø фаски [мм]: 100
Поверхность: оцинкованная
Дополнительный артикул / дополнительная информация 2: с винтами
Диаметр отверстия под шпильку колеса [мм]: 12.7
Качество: PREMIUM
Высота [мм]: 41
Необходимое количество: 2
Тип тормозного диска: вентилируемый
Толщина тормозного диска (мм): 20.7
Минимальная толщина [мм]: 17.7
Наружный диаметр [мм]: 259
Оптимальний вибір
0 отзывов
982  сегодня
Артикул:
09073
FEBI BILSTEIN
Производство Германия Германия
Купить Код: 152511-20
Сторона установки: Передние
Диаметр центрирования [мм]: 61
ø фаски [мм]: 100
Поверхность: с покрытием
Количество крепежных отверстий: 2
Соблюдать сервисную информацию:
Число отверстий в диске колеса: 4
Толщина [мм]: 41
Вес [кг]: 4.9
Тип тормозного диска: вентилируемый
Толщина тормозного диска (мм): 20.6
Минимальная толщина [мм]: 17.7
Наружный диаметр [мм]: 259
Оптимальний вибір
0 отзывов
1 058  сегодня
Артикул:
DDF1096
FERODO
Производство Германия Германия
Купить Код: 393049-7
Диаметр центрирования [мм]: 61
Момент затяжки [Нм]: 105
ø фаски [мм]: 100
Поверхность: промасленный
Тип контейнера: Коробка
Количественная единица: комплект
Дополнительный артикул / дополнительная информация 2: с винтами
Длина упаковки [см]: 25.9
Ширина упаковки [см]: 25.9
Высота упаковки [см]: 8.6
Проверочное значение: R90 homologated
Высота [мм]: 41
Вес [кг]: 10.5
Тип тормозного диска: вентилируемый
Толщина тормозного диска (мм): 20.6
Минимальная толщина [мм]: 17.7
Наружный диаметр [мм]: 259
Количество отверстий: 4
Качество OEM
0 отзывов
857  сегодня
 заканчивается
Артикул:
78BD3550-2
ICER
Производство Испания Испания
Купить Код: 511207-37
Исполнение оси: Front
Толщина [мм]: 20.6
Проверочное значение: E1 90R-02C0339/1054, E4 90R-02C0722/2584
Диаметр [мм]: 61
Высота [мм]: 41
Вес [кг]: 9936.000
Тип тормозного диска: вентилируемый
Толщина тормозного диска (мм): 17.7
Минимальная толщина [мм]: 17.7
Расположение/число отверстий: 4
Наружный диаметр [мм]: 259
Диаметр центрирования [мм]: 61
ø фаски [мм]: 100
Номер технической информации: 78BD3550-2
Оптимальний вибір
0 отзывов
930  завтра
Артикул:
30178
ASAM
Производство Румыния Румыния
Купить Код: 22106-19
Сторона установки: Передние
Для оригинального номера: 77 01 208 252
Тип тормозного диска: цельный
Толщина тормозного диска (мм): 12
Наружный диаметр [мм]: 259
Количество отверстий: 4
ø фаски [мм]: 100
0 отзывов
1 099  завтра
Артикул:
16-15 521 0036
MEYLE
Производство Германия Германия
Купить Код: 389164-20
Сторона установки: Передние
Диаметр центрирования [мм]: 61
ø фаски [мм]: 100
Диаметр отверстия под шпильку колеса [мм]: 12.7
Высота [мм]: 41
Необходимое количество: 2
Тип тормозного диска: вентилируемый
Толщина тормозного диска (мм): 20.7
Минимальная толщина [мм]: 17.7
Наружный диаметр [мм]: 259
Количество отверстий: 4
Оптимальний вибір
0 отзывов
1 028  завтра
Артикул:
23-0549C
Metelli
Производство Италия Италия
Купить Код: 412363-20
Проверочное значение: ECE-R90
Высота [мм]: 41.0
Тип тормозного диска: вентилируемый
Толщина тормозного диска (мм): 20.7
Наружный диаметр [мм]: 259.0
Количество отверстий: 4
Диаметр центрирования [мм]: 61.0
Поверхность: лакированный
Оптимальний вибір
0 отзывов
1 562  завтра
Артикул:
09.5802.21
BREMBO
Производство Италия Италия
Купить Код: 624375-19
Высота [мм]: 41
Тип тормозного диска: вентилируемый
Толщина тормозного диска (мм): 20.6
Минимальная толщина [мм]: 17.7
Наружный диаметр [мм]: 259
Количество отверстий: 4
Диаметр центрирования [мм]: 61
Момент затяжки [Нм]: 105
Поверхность: с покрытием
Дополнительный артикул / дополнительная информация 2: с винтами
Качество OEM
Смотреть все аналоги ↓
Оригинальные номера
OEM:
7700780892
7700813549
7700842131
7701204228
7701204304
7701204828
7701205653
7701206339
8201464598
4020600Q0E
4020600Q0K
4020600QAA
6001548578
402062984R
RENAULT / DACIA:
8671013532
8671016876