Ротор генератора CARGO (Карго) 335300
|
2 423 ₴
завтра
закінчується |
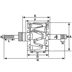
- Виробник
-
CARGO
(Польща)
- Каталоговий номер
- 335300
- Напруга [В]
- 14
- Розмір різьби
- M16-1.50
- Зовнішній діаметр [мм]
- 105.5
- Напрямок обертання
- по годинниковій стрілці
- Довжина різьби [мм]
- 151.00
- EAN
- 5711343347503
- Товарна група:
- - Електрика та Освітлення Комплектуючі генератора
