Гальмівний диск задній (в зборі з підш. і кільцем ABS) Nissan NV 200 11- Opel Vivaro 14- HELLA 8DD 355 125-281
|
4 448 ₴
завтра
|
- Виробник
-
HELLA
(Німеччина)
- Каталоговий номер
- 8DD 355 125-281
- Сторона встановлення
- Задні
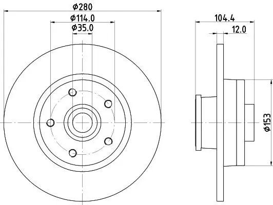
- Діаметр центрування [мм]
- 35
- Ø фаски [мм]
- 114
- Додатковий артикул / Додаткова інформація
- с гайкой хвостовика моста
- Поверхня
- з покриттям
- Додатковий артикул / додаткова інформація 2
- зі ступицею
з кільцем сенсора ABS
з колісним підшипником - Диаметр отверстия под шпильку колеса [мм]
- 14
- Требуется монтаж / демонтаж специалистами!
- Висота [мм]
- 104.4
- Вага [кг]
- 9.6
- Тип гальмівного диска
- цілісний
- Товщина гальмівного диску (мм)
- 12
- Мінімальна товщина [мм]
- 10
- Розташування/кількість отворів
- 05/05
- Внутрішній діаметр
- 142
- Зовнішній діаметр [мм]
- 280
- EAN
- 4082300640847
- 8DD 355 125-281 HELLA підходить для таких марок/моделей авто:
- - Nissan: Primastar
- - Opel: Vivaro
- - Renault: Trafic
- Товарна група:
- - Гальмівна система Гальмівні диски
- Артикул:
- 713 6441 40
- FAG
-
Німеччина
Внутрішній діаметр: 35
Зовнішній діаметр [мм]: 68
Додатковий артикул / Додаткова інформація: Фотография соответствует комплекту поставки
- Артикул:
- 615 523 0018
- MEYLE
-
Німеччина
ø фаски [мм]: 114.3
Додатковий артикул / додаткова інформація 2: з кільцем сенсора ABS, з інтегрованим колісним підшипником
Висота [мм]: 104.5
Необхідна кількість: 2
Тип гальмівного диска: цілісний
Товщина гальмівного диску (мм): 12
Мінімальна товщина [мм]: 10
Зовнішній діаметр [мм]: 280
Кількість отворів: 5
Діаметр центрування [мм]: 66
- Артикул:
- KF155.125U
- SNR NTN
-
Франція
Тип гальмівного диска: цілісний
Товщина гальмівного диску (мм): 12
Мінімальна товщина [мм]: 10
Зовнішній діаметр [мм]: 280
Кількість отворів: 5
Момент затяжки [Нм]: 280
Ширина 1 [мм]: 104
Внутрішній діаметр 1(мм): 35
- Артикул:
- 92268903
- TEXTAR
-
Німеччина
ø фаски [мм]: 114
Додатковий артикул / Додаткова інформація: с гайкой хвостовика моста
Поверхня: з покриттям
Додатковий артикул / додаткова інформація 2: зі ступицею, з кільцем сенсора ABS, з колісним підшипником, без колісної осі кріплення
Діаметр осьової цапфи [мм]: 35
Диаметр отверстия под шпильку колеса [мм]: 14
Довжина упаковки: 30.8
Ширина упаковки [см]: 30.8
Висота упаковки [см]: 12.7
Висота [мм]: 104.4
Вага [кг]: 9.6
Тип гальмівного диска: цілісний
Товщина гальмівного диску (мм): 12
Число зубців кільця ABS: 48
Мінімальна товщина [мм]: 10
Розташування/кількість отворів: 05/05
Внутрішній діаметр: 142
Зовнішній діаметр [мм]: 280
- Артикул:
- 24.0112-0217.2
- ATE
-
Німеччина
ø фаски [мм]: 108.0
Поверхня: з покриттям
Діаметр кріплення [мм]: 35
Додатковий артикул / додаткова інформація 2: з кільцем сенсора ABS, з колісним підшипником
Код MAPP у наявності:
Перевірочне значення: E1 90R-02C0444/0025
Висота [мм]: 104.5
Тип гальмівного диска: цілісний
Товщина гальмівного диску (мм): 12.0
Розмір різьби: M14x1.5
Мінімальна товщина [мм]: 10.0
Внутрішній діаметр: 68.0
Зовнішній діаметр [мм]: 280.0
Кількість отворів: 5
закінчується
- Артикул:
- 0 986 479 D82
- BOSCH
-
Німеччина
Додатковий артикул / додаткова інформація 2: з кільцем сенсора ABS, з колісним підшипником
Виконує норми ЄЕК: ECE-R90
Висота [мм]: 104.4
Тип гальмівного диска: цілісний
Товщина гальмівного диску (мм): 12
Мінімальна товщина [мм]: 10
Внутрішній діаметр: 35
Зовнішній діаметр [мм]: 280
Кількість отворів: 5
Діаметр центрування [мм]: 67.98
ø фаски [мм]: 114.3
- Артикул:
- 23-1798
- Metelli
-
Італія
Висота [мм]: 104.5
Тип гальмівного диска: цілісний
Товщина гальмівного диску (мм): 12.0
Зовнішній діаметр [мм]: 280.0
Кількість отворів: 5
Діаметр центрування [мм]: 66.0
Додатковий артикул / додаткова інформація 2: з кільцем сенсора ABS, з колісним підшипником
- Артикул:
- 108665
- FEBI BILSTEIN
-
Німеччина
ø фаски [мм]: 114.3
Поверхня: промаслений
Додатковий артикул / додаткова інформація 2: з кільцем сенсора ABS
Дотримуватись сервісної інформації:
Число отворів у диску колеса: 5
Товщина [мм]: 104.5
Вага [кг]: 9.4
Тип гальмівного диска: цілісний
Товщина гальмівного диску (мм): 12
Мінімальна товщина [мм]: 10
Зовнішній діаметр [мм]: 280
Діаметр центрування [мм]: 68
- Артикул:
- SH155.70K
- SHAFER
-
Австрія
- Артикул:
- WB24137
- SATO TECH
-
Великобританія
Ширина [мм]: 48
Внутрішній діаметр: 35
Зовнішній діаметр [мм]: 68
Конструкція підшипника: роликопідшипник
- Артикул:
- SH155.70
- SHAFER
-
Австрія
- Артикул:
- 208040
- Solgy
-
Іспанія
