Підшипник ступиці NSK 48BWD02A2CA97**
потрібна перевірка за VIN-кодом, уточнюйте сумісність у наших фахівців
|
1 931 ₴
завтра
закінчується |
||
|
1 872 ₴
термін 25 дн.
|
||
|
На замовлення після 100% передоплати |
||
- Виробник
- NSK
- Каталоговий номер
- 48BWD02A2CA97**
- 48BWD02A2CA97** NSK підходить для таких марок/моделей авто:
- - Honda: Accord, Civic, FR-V
- Товарна група:
- - Підвіска та Рульове Підшипник маточини
закінчується
- Артикул:
- 713 1563 10
- FAG
-
Німеччина
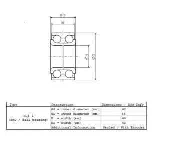
Внутрішній діаметр: 48
Зовнішній діаметр [мм]: 86
закінчується
- Артикул:
- ZA48BWD02A2CA97
- NSK
Внутрішній діаметр: 48
Зовнішній діаметр [мм]: 86
Ширина 1 [мм]: 40
Ширина 2 [мм]: 42
Додатковий артикул / додаткова інформація 2: із вбудованим магнітним сенсорним кільцем
